ODBORNÉ PORADENSTVÍ
od 9 do 17 hodiny
Žádné produkty
*265 280
Nový produkt
RS-EGR_DEL085

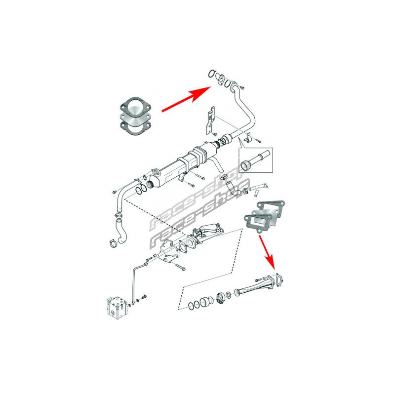
Zátka pro vyjmutí EGR s těsněním vhodná pro SCANIA PGRT DC9, DC12, DT12, D9
Sada pro demontáž EGR sloužící k zaslepení ventilu EGR v původním vybavení (OE).Pošlete obsluze obchodu dotaz k tomuto produktu.
* povinný údaj
nebo Zrušit

Zátka pro vyjmutí EGR s těsněním vhodná pro SCANIA PGRT DC9, DC12, DT12, D9
Pokud chcete být informováni o naskladnění produktu prostřednictvím e mailu vyplňte formulář.
* povinný údaj
nebo Zrušit
Ventil EGR snižuje obsah škodlivin ve výfukových plynech tím, že umožňuje určovat množství spalin do sání. Nafta je však velmi mastná a EGR se často ucpává, čímž se snižuje průchodnost celého sacího traktu motoru. Dochází ke snížení výkonu a zvýšení kouřivosti.
Použití:
Scania
P, G, R, T - series
(Concrete mixer) G 340, P 340, R 340 (DC 12.10) 11700ccm 340HP / 250kW 2004/04- pohon: Dvě nebo více náprav 9835
(Concrete mixer) G 380, P 380, R 380 (DC 12.13 DC 12.17 DC 12.18) 11700ccm 380HP / 279kW 2004/04 - pohon: Dvě nebo více náprav 9836
(Tractor) G 230, P 230 (DC 9.30 DC 9.35) 9300ccm 230HP / 169kW 2007/09 - pohon: Pro dvě nebo více náprav 9693
(Tractor) G 230, P 230 (DC 9.30 DC 9.35) 9300ccm 230HP / 169kW 2007/09- pohon: Zadní náprava 20717
(Tractor) G 230, P 230 (DC 9.30 DC 9.35 ) 9300ccm 230HP / 169kW 2007/09- pohon: Na zadní nápravě 9689
(Tractor) G 230, P 230 (DC 9.30 DC 9.35) 9300ccm 230HP / 169kW 2007/09- pohon: Na zadní nápravě 9691
(Tractor) G 340, R 340 (DC 12.10) 11700ccm 340HP / 250kW 2006/08- pohon: Na zadní nápravě 9720
(Tractor unit) G 380, P 380 (DC 12.13 DC 12.17) 11700ccm 380HP / 279kW 2004/04 - pohon: dvě nebo více náprav 9924
(tractor unit) G 380, P 380, R 380 (DC 12.13 DC 12.17 DC 12.18) 11700ccm 380HP / 280kW 2004/04- pohon: zadní náprava 9759
(Tractor unit) G 380, P 380, R 380 (DC 12.13 DC 12.17 DC 12.18) 11716ccm 379HP / 279kW 2008/03 - pohon: Na zadní nápravě 9760
(Tractor) G 380, P 380, R 380 (DC 12.13) 11700ccm 380HP / 279kW 2004 / 04- pohon: zadní náprava 9873
(tractor unit) G 420 (DC 12.06) 11700ccm 420HP / 309kW 2004/03 - pohon: dvě nebo více náprav 9937
(Tractor) G 420, P 420, R 420 (DC 12.06 DC 12.14 DC 12.15 DC 12.22 DT 12.11 DT 12.12) 11716ccm 420HP / 309kW 2004/03 - pohon: Zadní náprava 7868
(Tractor) G 420, R 420 ( DC 12.14 DC 12.15 DT 12.11 DT 12.12) 11716ccm 420HP / 309kW 2008/01- pohon: Na dvou nebo více nápravách. 9765
(Tractor truck) G 440, R 440 (DT 12.18) 11716ccm 440HP / 324kW 2007/01- pohon: Na zadní nápravě 18862
(Tractor) G 440, R 440 (DT 12.18) 11716ccm 440HP / 324kW 2008/01 - pohon: Dvě nebo více náprav 18881
(Tractor) G 440, R 440 (DT 12.18) 11716ccm 440HP / 324kW 2008 / 01- pohon: na zadní nápravě. 18879
(tractor unit) G 470, P 470, R 470 (DT 12.06) 11716ccm 470HP / 345kW 2005/09- pohon: on dvě nebo více náprav 9705
(Tractor) G 480, R 480 (DT 12.17) 11716ccm 480HP / 353kW 2006/08- pohon: Na zadní nápravě 9764
(Tractor unit) G 480, R 480 (DT 12.17) 11716ccm 480HP / 353kW 2008/01 - pohon: Dvě nebo více náprav 9766
(Tractor) G 480, R 480 (DT 12.17) 11716ccm 480HP / 353kW 2008/03 - pohon: Zadní náprava 9758
(Tractor) P 230 (DC 9.13 DC 9.16) 8867ccm 230HP / 169kW 2004 / 09- pohon: zadní náprava 9921
(tractor unit) P 230, R 230 (DC 9.13 DC 9.16) 8867ccm 230HP / 169kW 2004 / 09- pohon: zadní náprava 8312
(tractor unit) P 230, R 230 (DC 9.16 ) 8867ccm 230HP / 169kW 2005/09 - pohon: na zadní nápravě. 9869
(Tractor) P 230, R 230 (DC 9.16) 8867ccm 230HP / 169kW 2005/09 - pohon: na zadní nápravě. 9876
(Tractor) P 270, R 270 (DC 9.12 DC 9.17) 8867ccm 270HP / 198kW 2004/09 - pohon: Na zadní nápravě 9732
(Tractor unit) P 270, R 270 (DC 9.17) 8867ccm 269HP / 198kW 2004/04 - pohon: zadní náprava 9870
(tractor unit) P 270, R 270 (DC 9.17) 8867ccm 269HP / 198kW 2004/04- pohon: zadní náprava 9877
(tractor unit) P 310 (DC 9.18) 8867ccm 310HP / 228kW 2004/04 - pohon: dvě nebo více náprav 9941
(tractor unit) P 310, R 310 (DC 9.11 DC 9.18) 8867ccm 310HP / 228kW 2004/09 - pohon: zadní náprava 9733
(tractor unit) P 310, R 310 (DC 9.18 ) 8867ccm 310HP / 228kW 2004/04 - pohon: zadní náprava 9871
(Tractor) P 310, R 310 (DC 9.18) 8867ccm 310HP / 228kW 2004/04 - pohon: zadní náprava 9878
(Tractor) P 340 (DC 12.10) 11700ccm 340HP / 250kW 2004/04 - pohon: Dvě nebo více náprav 9849
(Tractor unit) P 340 (DC 12.10) 11700ccm 340HP / 250kW 2004/04 - pohon: Dvě nebo více náprav 9851
(Tractor) P 340, R 340 (DC 12.10) 11700ccm 340HP / 250kW 2004/04 - pohon: Pro zadní nápravu 9872
(Tractor) P 340, R 340 (DC 12.10) 11700ccm 340HP / 250kW 2006/08 - pohon: na zadní nápravě. 9721
(tractor unit) P 340, R 340 (DC 12.10) 11700ccm 340HP / 250kW 2006 / 10- pohon: na zadní nápravě. 9730
(tractor unit) P 360 (DC 09.112) 9300ccm 360HP / 265kW 2010/04 - pohon: na zadní nápravě. 18117
(tractor unit) P 380 (DC 12.13 DC 12.17) 11700ccm 380HP / 279kW 2004/04 - pohon: dvě nebo více náprav 9850
(Tractor) P 380 (DC 12.17) 11716ccm 379HP / 279kW 2004/04 - pohon: Dvě nebo více náprav 9939
(Tractor) P 380, R 380 (DC 12.13 DC 12.17 DC 12.18) 11700ccm 380HP / 280kW 2006/10 - pohon: na zadní nápravě. 9731
(tractor unit) P 380, R 380 (DC 12.13 DC 12.18) 11700ccm 380HP / 280kW 2006/10 - pohon: na zadní nápravě. 9722 (
tractor unit) P 380, R 380 (DC 12.17 DC 12.18) ) 11716ccm 379HP / 279kW 2004/04 - pohon: Na zadní nápravě 9874
(Tractor) P 380, R 380 (DC 12.18) 11716ccm 380HP / 279kW 2004/04 - pohon: Na zadní nápravě 9879
(Tractor) P 420, R 420 (DC 12.06 DC 12.14 DC 12.15 DC 12.22 DT 12.11 DT 12.12 DT 12.14) 11716ccm 420HP / 309kW 2004/03 - pohon: Zadní náprava 9754
(Tractor) P 420, R 420 (DC 12.06 DC 12.14 DC 12.15 DC 12.23 DT 12.11 DT 12.12) 11716ccm 420HP / 309kW 2004/04 - pohon: Zadní náprava 9772
(Tractor unit) P 420, R 420 (DC 12.14 DC 12.15 DC 12.22 DT 12.11 DT 12.12) 11716ccm 420HP / 309kW 2004/03 - pohon: Na zadní nápravě 9854
(Tractor) P 420, R 420 (DC 12.14 DC 12.15 DC 12.22 DT 12.11 DT 12.12) 11716ccm 420HP / 309kW 2006/08 - pohon: Na zadní nápravě 9723
(Tractor) P 420, R 420 (DC 12.14 DC 12.15 DT 12.11) 11716ccm 420HP / 309kW 2004/03 - pohon: Na dvou nebo více nápravách. 9853
(Tractor) P 470, R 470 ( DT 12.03 DT 12.06) 11716ccm 470HP / 345kW 2004/03 - pohon: zadní náprava 7869
(Tractor) P 480, R 480 (DT 12.17) 11716ccm 480HP / 353kW 2004/04 - pohon: zadní náprava 9855
(Tractor) P 480, R 480 (DT 12.17) 11716ccm 480HP / 353kW 2004/04 - pohon: Na zadní nápravě 9875
(Tractor unit) R 340 (DC 12.10) 11700ccm 340HP / 250kW 2006/08 - pohon: Na zadní nápravě 12257
(Tractor unit) R 470 (DT 12.03 DT 12.06) 11716ccm 469HP / 345kW 2004/03 - pohon: Na zadní nápravě 9901
(Tractor unit) R 470 (DT 12.03 DT 12.06) 11716ccm 469HP / 345kW 2004/04 - pohon: Na zadní nápravě 9771
(Tractor unit) R 470 (DT 12.03 DT 12.06) 11716ccm 470HP / 345kW 2004/03 - pohon: Na zadní nápravě 9856
(Tractor unit) R 470 (DT 12.03 DT 12.06) 11716ccm 470HP / 345kW 2004 / 04- pohon: Pro zadní nápravu 9763
(Tractor) R 470 (DT 12.03 DT 12.06) 11716ccm 470HP / 345kW 2004/04 - pohon: Pro zadní nápravu 9773
(Tractor) R 480 (DT 12.17) 11716ccm 480HP / 353kW 2004/04 - pohon: Na zadní nápravě 9860
(Platform / chassis) G 230 (DC 9.16) 8867ccm 230HP / 169kW 2007/09 - pohon: Na zadní nápravě 9830
( Platform / Chassis) G 230, P 230 (DC 9.13 DC 9.16) 8867ccm 230HP / 169kW 2006/08- Pohon: Zadní náprava 9739
(Platform / Chassis) G 230, P 230 (DC 9.30 DC 9.35 DC 9.39) 9300ccm 230HP / 169kW 2007/09- pohon: Zadní náprava 20815
(Platform / chassis) G 230, P 230 (DC 9.30 DC 9.35 DC 9.39) 9300ccm 230HP / 169kW 2007/09- pohon: Zadní náprava 9688
(Platform / chassis) G 230 , P 230 (DC 9.30 DC 9.35 DC 9.39) 9300ccm 230HP / 169kW 2007/09- pohon: Pro zadní nápravu 9690
(Platform / Chassis) G 230, P 230 (DC 9.30 DC 9.35 DC 9.39) 9300ccm 230HP / 169kW 2009/07- Pohon: Zadní náprava 17982
(Platform / Chassis) G 230, P 230 (DC 9.30 DC 9.35) 9300ccm 230HP / 169kW 2007 / 09- pohon: Dvě nebo více náprav 9692
(Platform / Chassis) G 270, P 270 (DC 9.12 DC 9.17) 8867ccm 270HP / 198kW 2004/04- Pohon: Zadní náprava 9808
(Platform / Chassis) G 270, P 270, R 270 (DC 9.12 DC 9.17) 8867ccm 270HP / 198kW 2004 / 09- pohon: Na zadní nápravě 9737
(Platform / chassis) G 310, P 310 (DC 09.110) 9300ccm 310HP / 228kW 2009/07- pohon: Pro zadní nápravu 18184
(Platform / Chassis) G 310, P 310 (DC 09.110) 9300ccm 310HP / 228kW 2012/01 - pohon: Pro zadní nápravu 18892
(Platform / Chassis) G 310, P 310 (DC 9.11 DC 9.18) 8867ccm 310HP / 228kW 2004/09 - Pohon: Zadní 9738
(Platform / Chassis) G 310, P 310 (DC 9.11 DC 9.18) 8867ccm 310HP / 228kW 2004 / 09- pohon: Na zadní nápravě 9809
(Platform / chassis) G 340, P 340 (DC 12.10 DC 12.26) 11700ccm 340HP / 250kW 2004/08- pohon: Dvě nebo více náprav 9813
(Platform / chassis) G 340, P 340 (DC 12.10) 11700ccm 340HP / 250kW 2004/04 - pohon: Dvě nebo více náprav 9824
(Platform / chassis) G 340, P 340, R 340 (DC 12.10) 11700ccm 340HP / 250kW 2004/04 - pohon: Na zadní nápravě 9794
(platform / chassis) G 340, P 340, R 340 (DC 12.10) 11700ccm 340HP / 250kW 2004/04 - pohon: Pro zadní nápravu 9816
(Platform / Chassis) G 380, P 380 (DC 12.13 DC 12.17 DC 12.18) 11700ccm 380HP / 279kW 2004/04 - Pohon: Zadní náprava 9916
(Platform / Chassis) G 380, P 380, R 380 (DC 12.13 DC 12.17 DC 12.18 DC 12.24) 11700ccm 379HP / 279kW 2004 / 08- pohon: Dvě nebo více náprav 9812
(Platform / chassis) G 380, P 380, R 380 (DC 12.13 DC 12.17 DC 12.18) 11700ccm 380HP / 280kW 2005 / 09- pohon: dvě nebo více náprav 9695
(platform / chassis) G 380, P 380, R 380 (DC 12.13 DC 12.18) 11700ccm 380HP / 280kW 2004/04- pohon: zadní náprava 9817
(platform / chassis) G 420, P 420, R 420 (DC 12.06 DC 12.14 DC 12.15 DC 12.22 DT 12.11 DT 12.12) 11716ccm 420HP / 309kW 2004/03 - pohon: Zadní náprava 9785
(Platform / Chassis) G 420, P 420, R 420 (DC 12.06 DC 12.14 DC 12.15 DT 12.12) 11716ccm 420HP / 309kW 2004/09 - Pohon: Zadní náprava 8307
(Platform / Chassis) G 420, R 420 (DC 12.14 DC 12.15 DC 12.22 DT 12.11 DT 12.12) 11716ccm 420HP / 309kW 2008/01 - pohon: Zadní náprava 9727
(Platform / chassis) G 470, R 470 (DT 12.03 DT 12.06) 11716ccm 470HP / 345kW 2004/03 - pohon: zadní náprava 9790
(Platform / Chassis) G 480, R 480 (DT 12.17) 11716ccm 480HP / 353kW 2008/01 - Pohon: Dvě nebo více náprav 18112
(Platform / Chassis) G 480, R 480 (DT 12.17) 11716ccm 480HP / 353kW 2008 / 01- pohon: Na zadní nápravě 9769
(Platform / chassis) P 230 (DC 9.13 DC 9.16) 8867ccm 230HP / 169kW 2006/04- pohon: Na zadní nápravě 9743
(Platform / Chassis) P 230 (DC 9.13 DC 9.16) 8867ccm 230HP / 169kW 2007/09 - pohon: Dvě nebo více náprav 10057
(Platform / Chassis) P 230 (DC 9.13 DC 9.16) 8867ccm 230HP / 169kW 2007 / 09- pohon: zadní náprava 9807
(platform / chassis) P 230 (DC 9.30 DC 9.35 DC 9.39) 9300ccm 230HP / 169kW 2009/07- pohon: zadní náprava 17984
(platform / chassis) P 230 (DC 9.30 DC 9.39) 9300ccm 230HP / 169kW 2007 / 09- pohon: rear 18183
(platform / chassis) P 230 (DC 9.39) 9300ccm 230HP / 169kW 2012/08- pohon: zadní náprava 17983
(platform / chassis) P 230 9000ccm 230HP / 169kW 2004 / 04- pohon: zadní náprava 9862
(platform / chassis) P 230, R 230 (DC 9.13 DC 9.16) 8867ccm 230HP / 169kW 2004/09- pohon: zadní náprava 8289
(Platform / Chassis) P 230, R 230 (DC 9.13 DC 9.16) 8867ccm 230HP / 169kW 2006/08- Pohon: Zadní náprava 9740
(Platform / Chassis) P 250 (DC 09.109 DC 09.111) 9300ccm 250HP / 184kW 2010/01 - pohon: zadní náprava 17829
(platform / chassis) P 250 (DC 09.109 DC 09.111) 9300ccm 250HP / 184kW 2012/01 - pohon: dvě nebo více náprav 17908
(platform / chassis) P 250 (DC 09.109 DC 09.111) 9300ccm 250HP / 184kW 2012 / 08- pohon: Na zadní nápravě 17832
(Platform / Chassis) P 250 (DC 09.109) 9300ccm 250HP / 184kW 2012/01- pohon: Dvě nebo více náprav 18876
(Platform / chassis) P 250 (DC 09.109 ) 9300ccm 250HP / 184kW 2012/01 - pohon: zadní náprava 18877
(Platform / Chassis) P 250 (DC 09.111) 9300ccm 250HP / 184kW 2013/09 - pohon: Na zadní nápravě 17837
(Platform / chassis) P 260 (OSC 11.03) 11020ccm 260HP / 191kW 2004/04 - pohon: Na zadní nápravě 9865
(Platform / Chassis) P 260 9000ccm 260HP / 191kW 2004/04 - pohon: Na zadní nápravě 9863
(Platform / chassis) P 270 (DC 09.E02) 9300ccm 250HP / 198kW 2012/01 - pohon: Dvě nebo více náprav 18865
(Platform / Chassis) P 270 (DC 9.12) 8867ccm 270HP / 198kW 2004/09 - pohon: Na zadní nápravě 7977
(Platform / chassis) P 270 (DC 9.17) 8867ccm 270HP / 198kW 2006/04 - pohon: Na zadní nápravě 9744
(Platform / Chassis) P 270, R 270 (DC 9.12 DC 9.17) 8867ccm 270HP / 198kW 2006/08- pohon: Zadní náprava 9741
(Platform / Chassis) P 280 (DC 09.113 DC 9.29 DC 9.36 DC 9.38) 9300ccm 280HP / 206kW 2009/07- Pohon: Zadní 17834
(Platform / Chassis) P 280 (DC 09.113 DC 9.29 DC 9.36 DC 9.38) 9300ccm 280HP / 206kW 2012 / 08- pohon: Na zadní nápravě 17833
(Platform / Chassis) P 280 (DC 09.113 DC 9.29 DC 9.36 DC 9.38) 9300ccm 280HP / 206kW 2013 / 09- Pohon: Na zadní nápravě 17838
(Platform / Chassis) P 280 (DC 09.113 DC 9.29 DC 9.38) 9300ccm 280HP / 206kW 2013 / 09- pohon: Dvě nebo více náprav 17909
(Platform / chassis) P 280 (DC 9.29 DC 9.36 DC 9.38) 9300ccm 280HP / 206kW 2009/07- pohon: Na zadní nápravě 17988
(Platform / Chassis) P 280 (DC 9.29) 9300ccm 280HP / 206kW 2004/04 - pohon: Pro zadní nápravu 10184
(Platform / Chassis) P 300 9000ccm 300HP / 220kW 2004/04 - Pohon: Zadní náprava 9864
(Platform / Chassis) P 310 (DC 09.110) 9300ccm 310HP / 228kW 2003/01 - Pohon: Dvě nebo více náprav 18875
(Platform / chassis) P 310 (DC 09.110) 9300ccm 310HP / 228kW 2003/01 - pohon: rear 18878
(platform / chassis) P 310 (DC 09.110) 9300ccm 310HP / 228kW 2012/08 - pohon: rear 17990
(platform / chassis) P 310 (DC 9.18) 8867ccm 310HP / 228kW 2006/04 - pohon: Na zadní nápravě 9745
(Platform / chassis) P 310, R 310 (DC 9.11 DC 9.18) 8867ccm 310HP / 228kW 2004/09 - pohon: Na zadní nápravě 8290
(platform / chassis) P 310, R 310 (DC 9.11 DC 9.18) 8867ccm 310HP / 228kW 2004/09 - pohon: Pro zadní nápravu 9742
(Platform / Chassis) P 320 (DC 09.108 DC 9.22 DC 9.32 DC 9.37) 9300ccm 320HP / 235kW 2013/01 - Pohon: Zadní 17830
(Platform / Chassis) P 320 (DC 09.108 DC 9.22 DC 9.32 DC 9.37) 9300ccm 320HP / 235kW 2013 / 09- Pohon: Zadní 17839
(Platform / Chassis) P 320 (DC 09.108 DC 9.22 DC 9.37) 9300ccm 320HP / 235kW 2012/08- Pohon: Zadní 17835
(Platform / Chassis) P 320 (DC 09.108 DC 9.37) 9300ccm 320HP / 235kW 2013/09 - pohon: Dvě nebo více náprav 17910
(Platform / chassis) P 320 (DC 9.22 DC 9.32 DC 9.37) 9300ccm 320HP / 235kW 2009/07 - pohon: Zadní náprava 17989
( Platform / chassis) P 340 (DC 12.10) 11700ccm 340HP / 250kW 2004/04 - pohon: Dvě nebo více náprav 9944
(Platform / Chassis) P 340 (DC 12.10) 11700ccm 340HP / 250kW 2004/04 - pohon: Na zadní nápravě 9820
(Platform / chassis) P 340 (DC 12.10) 11700ccm 340HP / 250kW 2004/04 - pohon: Na zadní nápravě 9828
(Platform / Chassis) P 340 (DC 12.10) 11700ccm 340HP / 250kW 2004/04 - pohon: Na zadní nápravě 9840
(Platform / chassis) P 340 (DC 12.10) 11700ccm 340HP / 250kW 2006/10 - pohon: Na zadní nápravě 9728
(Platform / Chassis) P 340, R 340 (DC 12.10) 11700ccm 340HP / 250kW 2004/04 - pohon: Dvě nebo více náprav 9803
(Platform / chassis) P 340, R 340 (DC 12.10) 11700ccm 340HP / 250kW 2004 / 04- pohon: zadní náprava 9800
(platform / chassis) P 360 (DC 09.112) 9300ccm 360HP / 265kW 2013 / 09- pohon: dvě nebo více náprav 17911
(Platform / Chassis) P 360 (DC 09.112) 9300ccm 360HP / 265kW 2013 / 09- Pohon: Zadní 17831
(Platform / Chassis) P 360 (DC 09.112) 9300ccm 360HP / 265kW 2013/09- Pohon: Zadní 17836
(Platform / Chassis) P 360 (DC 09.112) 9300ccm 360HP / 265kW 2013 / 09- Pohon: Zadní 17840
(Platform / Chassis) P 380 (DC 12.13 DC 12.17 DC 12.18) 11700ccm 381HP / 280kW 2006 / 10- Pohon: Zadní náprava 9729
(Platform / Chassis) P 380 (DC 12.13 DC 12.17 DC 12.18) 11716ccm 379HP / 279kW 2004/04 - pohon: Dvě nebo více náprav 9938
(Platform / chassis) P 380 (DC 12.13 DC 12.18) 11700ccm 379HP / 279kW 2004 / 04- pohon: na zadní nápravě. 9821
(platform / chassis) P 380 (DC 12.13) 11700ccm 380HP / 280kW 2004/04- pohon: na zadní nápravě. 9829
(Platform / Chassis) P 380 (DC 12.13) 11700ccm 380HP / 280kW 2005/09- pohon: Dvě nebo více náprav 9697
(Platform / chassis) P 380 (DC 12.13) 11700ccm 380HP / 280kW 2005/09- pohon: Zadní Axle 9694
(Platform / Chassis) P 380, R 380 (DC 12.13 DC 12.17 DC 12.18) 11700ccm 380HP / 280kW 2005/09 - Pohon: Zadní 9698
(Platform / Chassis) P 380, R 380 (DC 12.13 DC 12.18) 11700ccm 380HP / 279kW 2004/04 - pohon: Dvě nebo více náprav 9804
(Platform / chassis) P 380, R 380 (DC 12.13) 11700ccm 380HP / 280kW 2005/09 - pohon: Dvě nebo více náprav 9696
(Platform / chassis ) P 380, R 380 (DC 12.18) 11716ccm 379HP / 279kW 2004/04 - pohon: zadní náprava 9866
(Platform / Chassis) P 420 (DT 12.12 DT 12.14) 11716ccm 420HP / 309kW 2005/09 - Pohon: Zadní náprava 20718
(Platform / Chassis) P 420, R 420 (DT 12.12 DT 12.14) 11716ccm 420HP / 309kW 2005/09 - pohon: na zadní nápravě. 9701
(platform / chassis) P 480, R 480 (DT 12.17) 11716ccm 480HP / 353kW 2010/0/04 - pohon: dvě nebo více náprav 18116
(platform / chassis) R 380 (DC 12.13 DC 12.18) 11700ccm 380HP / 280kW 2004/04 - pohon: Na zadní nápravě 9795
(Platform / Chassis) R 380 (DC 12.13 DC 12.18) 11716ccm 380HP / 280kW 2010/04 - pohon: Na zadní nápravě 12458
(Platform / Chassis) R 420 (DC 12.14 DC 12.15 DC 12.22 DT 12.11 DT 12.12) 11716ccm 420HP / 309kW 2004/03 - pohon: Pro zadní nápravu 9788
(Platform / Chassis) R 420 (DC 12.14 DC 12.15 DC 12.22 DT 12.11 DT 12.12) 11716ccm 420HP / 309kW 2004/03 - Pohon: Zadní 9925
(Platform / Chassis) R 420 (DT 12.11) 11716ccm 420HP / 309kW 2004 / 03- pohon: Dvě nebo více náprav 9949
(platform / chassis) R 470 (DT 12.03 DT 12.06) 11716ccm 469HP / 345kW 2004/03- pohon: zadní náprava 20721
(platform / chassis) R 470 (DT 12.03 DT 12.06) 11716ccm 469HP / 345kW 2004/03 - pohon: Na zadní nápravě 9839
(Platform / Chassis) R 470 (DT 12.03 DT 12.06) 11716ccm 469HP / 345kW 2004/03 - pohon: Na zadní nápravě 9930
(Platform / Chassis) R 470 (DT 12.03 DT 12.06) 11716ccm 470HP / 345kW 2004 / 03- pohon: Pro zadní nápravu 9791
(Platform / Chassis) R 480 (DT 12.17) 11716ccm 480HP / 353kW 2004/04 - Pohon: Zadní 20720
(Platform / Chassis) R 480 (DT 12.17) 11716ccm 480HP / 353kW 2004/04 - Pohon: Zadní 9786
(Platform / Chassis) R 480 (DT 12.17) 11716ccm 480HP / 353kW 2004/04 - Pohon: Zadní 9787
(Platform / Chassis) R 480 (DT 12.17) 11716ccm 480HP / 353kW 2004/04 - Pohon: Zadní 9789
(Platform / Chassis) R 480 (DT 12.17) 11716ccm 480HP / 353kW 2004/04 - Pohon: Zadní náprava 9931
(Platform / Chassis) R 480 (DT 12.17) 11716ccm 480HP / 35
Tato diskuse je určena pro výměnu informací mezi zákazníky. Pro dotazy týkající se Vaší objednávky, dostupnosti, kontaktuje náš support tým.
| Značka | Model | Motor |
|---|---|---|
| Scania | G 230, P 230 | G 230, P 230 (DC 9.13 DC 9.16) 8867ccm 230HP / 169kW 2006/08 |
| Scania | G 230, P 230 | G 230, P 230 (DC 9.30 DC 9.35) 9300ccm 230HP / 169kW 2007/09 - drive : For two or more axles 9693 |
| Scania | G 270, P 270, R 270 | G 270, P 270, R 270 (DC 9.12 DC 9.17) 8867ccm 270HP / 198kW 2004 / 09 |
| Scania | G 310, P 310 | G 310, P 310 (DC 9.11 DC 9.18) 8867ccm 310HP / 228kW 2004 / 09 |
| Scania | G 340, P 340, R 340 | G 340, P 340, R 340 (DC 12.10) 11700ccm 340HP / 250kW 2004/04 |
| Scania | G 340, P 340 | G 340, P 340 (DC 12.10 DC 12.26) 11700ccm 340HP / 250kW 2004/08 |
| Scania | G 380, P 380, R 380 | G 380, P 380, R 380 (DC 12.13 DC 12.17 DC 12.18) 11700ccm 380HP / 279kW 2004/04 |
| Scania | G 380, P 380 | G 380, P 380 (DC 12.13 DC 12.17 DC 12.18) 11700ccm 380HP / 279kW 2004/04 |
| Scania | G 420, P 420, R 420 | G 420, P 420, R 420 (DC 12.06 DC 12.14 DC 12.15 DC 12.22 DT 12.11 DT 12.12) 11716ccm 420HP / 309kW 2004/03 |
| Scania | G 440, R 440 | G 440, R 440 (DT 12.18) 11716ccm 440HP / 324kW 2008/01 |
| Scania | G 470, P 470, R 470 | G 470, P 470, R 470 (DT 12.06) 11716ccm 470HP / 345kW 2005/09 |
| Scania | G 470, R 470 | G 470, R 470 (DT 12.03 DT 12.06) 11716ccm 470HP / 345kW 2004/03 |
| Scania | G 470 | G 470 (DT 12.06) 11716ccm 470HP / 345kW 2010/01 |
| Scania | G 480, R 480 | G 480, R 480 (DT 12.17) 11716ccm 480HP / 353kW 2004/04 |
| Scania | G 480, R 480 | G 480, R 480 (DT 12.17) 11716ccm 480HP / 353kW 2006/08 |
| Scania | G 480, R 480 | G 480, R 480 (DT 12.17) 11716ccm 480HP / 353kW 2008/01 |
| Scania | P 230, R 230 | P 230, R 230 (DC 9.13 DC 9.16) 8867ccm 230HP / 169kW 2004/09 |
| Scania | P 230, R 230 | P 230, R 230 (DC 9.13 DC 9.16) 8867ccm 230HP / 169kW 2006/08 |
| Scania | P 230 | P 230 (DC 9.13 DC 9.16) 8867ccm 230HP / 169kW 2006/04 |
| Scania | P 230 | P 230 (DC 9.13 DC 9.16) 8867ccm 230HP / 169kW 2007 / 09 |
| Scania | P 230 | P 230 (DC 9.13 DC 9.16) 8867ccm 230HP / 169kW 2008 / 01 |
| Scania | P 230 | P 230 (DC 9.30 DC 9.35 DC 9.39) 9300ccm 230HP / 169kW 2009/07 |
| Scania | P 230 | P 230 (DC 9.30 DC 9.39) 9300ccm 230HP / 169kW 2007 / 09 |
| Scania | P 230 | P 230 (DC 9.35 DC 9.39) 9300ccm 230HP / 169kW 2009/07 |
| Scania | P 230 | P 230 (DC 9.39) 9300ccm 230HP / 169kW 2012/08 |
| Scania | P 230 | P 230 9000ccm 230HP / 169kW 2004 / 04 |
| Scania | P 250 | P 250 (DC 09.109 ) 9300ccm 250HP / 184kW 2012/01 |
| Scania | P 250 | P 250 (DC 09.109 DC 09.111) 9300ccm 250HP / 184kW 2010/01 |
| Scania | P 250 | P 250 (DC 09.109 DC 09.111) 9300ccm 250HP / 184kW 2012/01 |
| Scania | P 250 | P 250 (DC 09.109 DC 09.111) 9300ccm 250HP / 184kW 2012 / 08 |
| Scania | P 250 | P 250 (DC 09.111) 9300ccm 250HP / 184kW 2013 / 09 |
| Scania | P 260 | P 260 (OSC 11.03) 11020ccm 260HP / 191kW 2004/04 |
| Scania | P 260 | P 260 9000ccm 260HP / 191kW 2004/04 |
| Scania | P 270, R 270 | P 270, R 270 (DC 9.12 DC 9.17) 8867ccm 270HP / 198kW 2004/09 |
| Scania | P 270, R 270 | P 270, R 270 (DC 9.12 DC 9.17) 8867ccm 270HP / 198kW 2006/08 |
| Scania | P 270 | P 270 (DC 09.E02) 9300ccm 250HP / 198kW 2012/01 |
| Scania | P 270 | P 270 (DC 9.12) 8867ccm 270HP / 198kW 2004/09 |
| Scania | P 270 | P 270 (DC 9.12 DC 9.17) 8867ccm 269HP / 198kW 2006/08 |
| Scania | P 270 | P 270 (DC 9.12 DC 9.17) 8867ccm 270HP / 198kW 2004/04 |
| Scania | P 270 | P 270 (DC 9.17) 8867ccm 270HP / 198kW 2006/04 |
| Scania | P 280 | P 280 (DC 09.113 DC 9.29 DC 9.36 DC 9.38) 9300ccm 280HP / 206kW 2009/07 |
| Scania | P 280 | P 280 (DC 09.113 DC 9.29 DC 9.36 DC 9.38) 9300ccm 280HP / 206kW 2012 / 08 |
| Scania | P 280 | P 280 (DC 09.113 DC 9.29 DC 9.36 DC 9.38) 9300ccm 280HP / 206kW 2013 / 09 |
| Scania | P 280 | P 280 (DC 09.113 DC 9.29 DC 9.38) 9300ccm 280HP / 206kW 2013 / 09 |
| Scania | P 280 | P 280 (DC 9.29) 9300ccm 280HP / 206kW 2004/04 |
| Scania | P 280 | P 280 (DC 9.29 DC 9.36 DC 9.38) 9300ccm 280HP / 206kW 2009/07 |
| Scania | P 280 | P 280 (DC 9.29 DC 9.38) 9300ccm 280HP / 206kW 2009/07 |
| Scania | P 300 | P 300 9000ccm 300HP / 220kW 2004/04 |
| Scania | P 310, R 310 | P 310, R 310 (DC 9.11 DC 9.18) 8867ccm 310HP / 228kW 2004/09 |
| Scania | P 310 | P 310 (DC 09.110) 9300ccm 310HP / 228kW 2003/01 |
| Scania | P 310 | P 310 (DC 09.110) 9300ccm 310HP / 228kW 2012/08 |
| Scania | P 310 | P 310 (DC 9.11 DC 9.18) 8867ccm 310HP / 228kW 2006/08 |
| Scania | P 310 | P 310 (DC 9.18) 8867ccm 310HP / 228kW 2006/04 |
| Scania | P 320 | P 320 (DC 09.108 DC 9.22 DC 9.32 DC 9.37) 9300ccm 320HP / 235kW 2013/01 |
| Scania | P 320 | P 320 (DC 09.108 DC 9.22 DC 9.32 DC 9.37) 9300ccm 320HP / 235kW 2013 / 09 |
| Scania | P 320 | P 320 (DC 09.108 DC 9.22 DC 9.37) 9300ccm 320HP / 235kW 2012/08 |
| Scania | P 320 | P 320 (DC 09.108 DC 9.37) 9300ccm 320HP / 235kW 2013/09 |
| Scania | P 320 | P 320 (DC 9.22 DC 9.32 DC 9.37) 9300ccm 320HP / 235kW 2009/07 |
| Scania | P 340, R 340 | P 340, R 340 (DC 12.10) 11700ccm 340HP / 250kW 2004 / 04 |
| Scania | P 340 | P 340 (DC 12.10) 11700ccm 340HP / 250kW 2004/04 |
| Scania | P 340 | P 340 (DC 12.10) 11700ccm 340HP / 250kW 2006/10 |
| Scania | P 360 | P 360 (DC 09.112) 9300ccm 360HP / 265kW 2010/04 |
| Scania | P 360 | P 360 (DC 09.112) 9300ccm 360HP / 265kW 2013 / 09 |
| Scania | P 380, R 380 | P 380, R 380 (DC 12.13) 11700ccm 380HP / 280kW 2005/09 |
| Scania | P 380, R 380 | P 380, R 380 (DC 12.13 DC 12.17 DC 12.18) 11700ccm 380HP / 280kW 2005/09 |
| Scania | P 380, R 380 | P 380, R 380 (DC 12.13 DC 12.18) 11700ccm 380HP / 279kW 2004/04 |
| Scania | P 380, R 380 | P 380, R 380 (DC 12.13 DC 12.18) 11700ccm 380HP / 280kW 2006/10 |
| Scania | P 380, R 380 | P 380, R 380 (DC 12.18) 11716ccm 379HP / 279kW 2004/04 |
| Scania | P 380 | P 380 (DC 12.13 DC 12.17 DC 12.18) 11700ccm 381HP / 280kW 2006 / 10 |
| Scania | P 420, R 420 | P 420, R 420 (DC 12.06 DC 12.14 DC 12.15 DC 12.22 DT 12.11 DT 12.12 DT 12.14) 11716ccm 420HP / 309kW 2004/03 |
| Scania | P 420, R 420 | P 420, R 420 (DT 12.12 DT 12.14) 11716ccm 420HP / 309kW 2005/09 |
| Scania | P 420 | P 420 (DT 12.12 DT 12.14) 11716ccm 420HP / 309kW 2005/09 |
| Scania | P 470, R 470 | P 470, R 470 ( DT 12.03 DT 12.06) 11716ccm 470HP / 345kW 2004/03 |
| Scania | P 480, R 480 | P 480, R 480 (DT 12.17) 11716ccm 480HP / 353kW 2004/04 |
| Scania | P 480, R 480 | P 480, R 480 (DT 12.17) 11716ccm 480HP / 353kW 2010/0/04 |
| Scania | R 340 | R 340 (DC 12.10) 11700ccm 340HP / 250kW 2006/08 |
| Scania | R 380 | R 380 (DC 12.13 DC 12.18) 11700ccm 380HP / 280kW 2004/04 |
| Scania | R 380 | R 380 (DC 12.13 DC 12.18) 11716ccm 380HP / 280kW 2010/04 |
| Scania | R 420 | R 420 (DC 12.14 DC 12.15 DC 12.22 DT 12.11 DT 12.12) 11716ccm 420HP / 309kW 2004/03 |
| Scania | R 420 | R 420 (DT 12.11) 11716ccm 420HP / 309kW 2004 / 03 |
| Scania | R 470 | R 470 (DT 12.03 DT 12.06) 11716ccm 469HP / 345kW 2004/03 |
| Scania | R 470 | R 470 (DT 12.03 DT 12.06) 11716ccm 470HP / 345kW 2004 / 03 |
| Scania | R 480 | R 480 (DT 12.17) 11716ccm 480HP / 353kW 2004/04 |
| Scania | R 480 | R 480 (DT 12.17) 11716ccm 480HP / 353kW 2010/04 |
Sada pro demontáž EGR sloužící k...
